- Üst Kategoriye Dön
- Butonlar
- Güç Kaynakları
- Güvenlik Çözümleri
- Güvenlik Rölesi
- Hız Kontrol Cihazları
- Işıklı Kolonlar
- Operatör Panelleri-HMI
- PLC & Modicon
- Röle ve Aksesuarları
- Servo Sürücüler & Motorlar
- Vinç Kontrol ve Joystick
- Yumuşak Yolvericiler
- Zelio Akıllı Röleler
VW3A4553
- TEKLİF ALINIZ
- ( Karşılaştır )
Ana
|
||||||||||||||||||||||||||||||||||||||||||||||||||||||||||||||||||||||
Tamamlayıcı
|
||||||||||||||||||||||||||||||||||||||||||||||||||||||||||||||||||||||
Ortam
|
||||||||||||||||||||||||||||||||||||||||||||||||||||||||||||||||||||||
Sürdürülebilirlik Teklifi
|
Dimensions
Dimensions in mm
a | b | c1 | G | G1 | H | Ø |
|---|---|---|---|---|---|---|
130 | 155 | 90 | 60 | 80.5 | 62 | 6 x 12 |
Dimensions in in.
a | b | c1 | G | G1 | H | Ø |
|---|---|---|---|---|---|---|
5.12 | 6.10 | 3.54 | 2.36 | 3.17 | 2.44 | 0.24 x 0.47 |
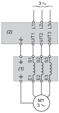
Recommended Schema - Line Choke
(1)Line Choke(2)Drive
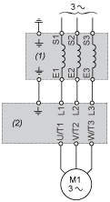
Recommended Schema - Motor Choke
(1)Motor Choke(2)Drive
Yorum / Soru ekleyebilmek için üye olmanız gerekmektedir.
Ortalama Değerlendirme » 

Bankalara özel taksit seçenekleri :
Yorum / Soru ekleyebilmek için üye olmanız gerekmektedir.








