- Üst Kategoriye Dön
- Butonlar
- Güç Kaynakları
- Güvenlik Çözümleri
- Güvenlik Rölesi
- Hız Kontrol Cihazları
- Işıklı Kolonlar
- Operatör Panelleri-HMI
- PLC & Modicon
- Röle ve Aksesuarları
- Servo Sürücüler & Motorlar
- Vinç Kontrol ve Joystick
- Yumuşak Yolvericiler
- Zelio Akıllı Röleler
VW3A4554
- TEKLİF ALINIZ
- ( Karşılaştır )
Ana
|
||||||||||||||||||||||||||||||||||||||||||||||||||||||||||||||||||||||
Tamamlayıcı
|
||||||||||||||||||||||||||||||||||||||||||||||||||||||||||||||||||||||
Ortam
|
||||||||||||||||||||||||||||||||||||||||||||||||||||||||||||||||||||||
Sürdürülebilirlik Teklifi
|
Dimensions
Dimensions in mm
a | b | c1 | G | G1 | H | Ø |
|---|---|---|---|---|---|---|
155 | 170 | 135 | 75 | 107 | 90 | 6 x 12 |
Dimensions in in.
a | b | c1 | G | G1 | H | Ø |
|---|---|---|---|---|---|---|
6.10 | 6.69 | 5.31 | 2.95 | 4.21 | 3.54 | 0.24 x 0.47 |
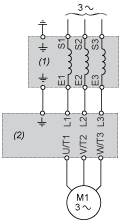
Recommended Schema - Line Choke
(1)Line Choke(2)Drive
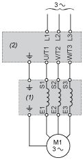
Recommended Schema - Motor Choke
(1)Motor Choke(2)Drive
Yorum / Soru ekleyebilmek için üye olmanız gerekmektedir.
Ortalama Değerlendirme » 

Bankalara özel taksit seçenekleri :
Yorum / Soru ekleyebilmek için üye olmanız gerekmektedir.








